Hybrid Stepper Motor

Oemotor Electric Co., Limited offers a full spectrum of high-performance Hybrid Stepper Motors, ranging from the ultra-compact NEMA 8 (20mm) to the powerful NEMA 52 (130mm) series. Our comprehensive lineup—including NEMA 11, 14, 17, 23, 24, 34, and 42—is engineered for precision, high torque, and durability. Whether for medical automation, 3D printing, or heavy industrial machinery, we provide the reliable motion control solutions your project demands.

NEMA8-20mm series

Model: NEMA8 Stepper motor-High PRECISION OE20HS(1.8 degree)

For office automation equipment:Typewriter, Copying machine, Graph plotter etc.

Genaral Specification:

Resistance Accuracy ———————– ±10%
Temperature Rise ————————– 80°C MAX.
Ambient Temperature Range ————- -20°C~ +50°C 
Storage Temperature Range ————- -30°C~ +60°C
Insulation Resistance ———————- 100M Ω MIN. 500V DC
Dielectric Strength ————————- 500V AC 1min
Radial Play ——————————— 0.02mm MAX. (450g Load)
End Play ———————————— 0.08mm MAX. (450g Load)
Max. radial force ————————— 20N
Max. axial force —————————- 2N

Electrical Specification:

Model No.

Step Angle

Motor Length

Current

/Phase

Resistance

/Phase

Inductance

/Phase

Holding Torque

Lead wires

Motor

Weight

( °)

(L)mm

A

ohm

mH

g.cm

No.

Kg

OE20HS30-0604

1.8

30

0.6

6.5

1.7

180

4

0.05

OE20HS33-0604

1.8

33

0.6

6.5

1.7

180

4

0.06

OE20HS38-0604

1.8

38

0.6

10

5.5

400

4

0.07

OE20HS42-0604

1.8

42

0.8

5.4

1.5

300

4

0.08

*Note: We can also manufacture products according to customer’s requirements.

nema8pic
nema8
nema8 wiring diagram

Key Features:
• Ultra-Compact Design: NEMA 8 (20mm) frame size, ideal for limited-space environments.
• High Precision: Standard 1.8° step angle for accurate motion control.
• Reliable Performance: Optimized for long-term continuous operation in office automation.
Typical Applications:
• Office Equipment: Typewriters, copying machines, and graph plotters.
• Medical Devices: Precision liquid handling and lab automation.
• Electronics: Pick-and-place machines and 3D printing components.

NEMA11-28mm series

Model: NEMA11 Stepper motor-High PRECISION OE28HS(1.8 degree)

2 phase NEMA11 stepper motor linear Actuators-OE28HSL

Use for printer stepper motor, electronic automatic equipment stepping motor, textile machinery stepper motor.

Genaral Specification:

Step Accuracy —————————— ±5%
Resistance Accuracy ———————– ±10%
Inductance Accuracy ———————- ±20% 
Temperature Rise ————————– 80°C MAX.
Ambient Temperature Range ————- -20°C~ +50°C 
Storage Temperature Range ————- -30°C~ +60°C
Electrical Specification:

Model No.

Step Angle

Motor Length

Current

/Phase

Resistance

/Phase

Inductance

/Phase

Holding Torque

Lead wires

Rotor Inertia

Motor

Weight

( °)

(L)mm

A

Ω

mH

g.cm

No.

g.cm

Kg

OE28HSL32-0956

1.8

32

0.95

2.8

0.8

430

6

9

0.11

OE28HSL32-0674

1.8

32

0.67

5.6

3.4

600

4

9

0.11

OE28HSL45-0956

1.8

45

0.95

3.4

1.2

750

6

12

0.14

OE28HSL45-0674

1.8

45

0.67

6.8

4.9

950

4

12

0.14

OE28HSL51-0956

1.8

51

0.95

4.6

1.8

900

6

18

0.2

OE28HSL51-0674

1.8

51

0.67

9.2

7.2

1200

4

18

0.2

*Note: We can also manufacture products according to customer’s requirements.

 

Screw Rod Specification

Srew Dia (mm)

lead(mm)

# of origin

Travel Per step@1.8degree(mm)

3.175

4

4

0.02

5

2

2

0.01

6.35

2

2

0.01

6.5

3

2

0.015

 

nema11 oe28hs(1.8)
nema11

Key Features:
• Ultra-Compact Design: NEMA 8 (20mm) frame size, ideal for limited-space environments.
• High Precision: Standard 1.8° step angle for accurate motion control.
• Reliable Performance: Optimized for long-term continuous operation in office automation.
Typical Applications:
• Office Equipment: Typewriters, copying machines, and graph plotters.
• Medical Devices: Precision liquid handling and lab automation.
• Electronics: Pick-and-place machines and 3D printing components.

NEMA14-35mm series

Model: NEMA14 Stepper motor-High PRECISION OE35HM(0.9 degree)

Forcomputer peripherals: Stage lighting, ATM machine, Bankbook printer etc.

Genaral Specification:

Step Accuracy —————————— ±5%
Resistance Accuracy ———————– ±10%
Inductance Accuracy ———————- ±20% 
Temperature Rise ————————– 80°C MAX.
Ambient Temperature Range ————- -20°C~ +50°C 
Storage Temperature Range ————- -30°C~ +60°C
Insulation Resistance ———————- 100M Ω MIN. 500V DC
Dielectric Strength ————————- 500V AC 1min
Max. radial force ————————— 28N
Max. axial force —————————- 10N

Electrical Specification:

Series

Model

Motor

Length

(mm)

Rated

Current

(A)

Phase

Resistance

(ohm)

Phase

Inductance

(mH)

Holding

Torque

(N.cm Min)

Detent

Torque

(N.cm Max)

Rotor

Inertia

(g.cm²)

Lead

Wire

(No.)

Motor

Weight

(g)

OE35HM20-0404

20

0.4

24

18

5

0.2

10

4

120

OE35HM28-0804

28

0.8

4.5

4.2

9

0.3

12

4

130

OE35HM28-0504

28

0.55

10

9.5

9

0.3

12

4

130

OE35HM28-0406

28

0.4

30

12

8

0.3

12

6

130

OE35HM34-0804

34

0.8

6

10

14

0.6

18

4

190

OE35HM34-0504

34

0.55

12

19

14

0.6

18

4

190

OE35HM34-0404

34

0.40

28

42

14

0.6

18

4

190

OE35HM34-0406

34

0.4

30

18

10

0.6

18

6

190

*Note: We can also manufacture products according to customer’s requirements.

 

Electrical Specification:

Model No.

Step Angle

Motor Length

Current

/Phase

Resistance

/Phase

Inductance

/Phase

Holding Torque

Lead

wires

Detent Torque

Rotor Inertia

Motor

Weight

( °)

(L)mm

A

Ω

mH

g.cm

No.

g.cm

g.cm

Kg

OE35HS26-0284

1.8

26

0.28

26

27

700

4

60

10

0.13

OE35HS28-0504

1.8

28

0.5

20

18

1000

4

80

11

0.14

OE35HS34-1004

1.8

34

1.0

2.7

4.3

1400

4

100

14

0.18

 

*Note: We can also manufacture products according to customer’s requirements.

nema14 oe35hs(1.8 degree)
nema14 stepper motor oe35hm 0.9 degree 2

Key Features:
• Ultra-Compact Design: NEMA 8 (20mm) frame size, ideal for limited-space environments.
• High Precision: Standard 1.8° step angle for accurate motion control.
• Reliable Performance: Optimized for long-term continuous operation in office automation.
Typical Applications:
• Office Equipment: Typewriters, copying machines, and graph plotters.
• Medical Devices: Precision liquid handling and lab automation.
• Electronics: Pick-and-place machines and 3D printing components.

NEMA16-39mm series

Model: NEMA16 Stepper motor-High PRECISION OE39HS(1.8 degree)

Step Accuracy —————————— ±5%
Resistance Accuracy ———————– ±10%
Inductance Accuracy ———————- ±20% 
Storage Temperature Range ————- -30°C~ +60°C
Insulation Resistance ———————- 100M Ω MIN. 500V DC
Dielectric Strength ————————- 500V AC 1min
Radial Play ——————————— 0.02mm MAX. (450g Load)
End Play ———————————— 0.08mm MAX. (450g Load)
Max. radial force ————————— 28N
Max. axial force —————————- 10N

Electrical Specification:

Model No.

Step Angle

Motor Length

Current

/Phase

Resistance

/Phase

Inductance

/Phase

Holding Torque

Lead

wires

Detent Torque

Rotor Inertia

Motor

Weight

( °)

(L)mm

A

Ω

mH

g.cm

No.

g.cm

g.cm

Kg

OE39HS20-0404

1.8

20

0.4

6.6

7.5

650

4

50

11

0.12

OE39HS20-0506

1.8

20

0.5

13

7.5

800

6

50

11

0.12

OE39HS34-0404

1.8

34

0.4

30

32

2100

4

120

20

0.18

OE39HS34-0306

1.8

34

0.3

40

20

1300

6

120

20

0.18

OE39HS38-0504

1.8

38

0.5

24

45

2900

4

180

24

0.2

OE39HS38-0806

1.8

38

0.8

7.5

6

2000

6

180

24

0.2

OE39HS44-0304

1.8

44

0.3

40

100

2800

4

250

40

0.25

 

*Note: We can also manufacture products according to customer’s requirements.

 

nema16 oe39hs (1.8 degree)
nema16dia1

Key Features:
• Ultra-Compact Design: NEMA 8 (20mm) frame size, ideal for limited-space environments.
• High Precision: Standard 1.8° step angle for accurate motion control.
• Reliable Performance: Optimized for long-term continuous operation in office automation.
Typical Applications:
• Office Equipment: Typewriters, copying machines, and graph plotters.
• Medical Devices: Precision liquid handling and lab automation.
• Electronics: Pick-and-place machines and 3D printing components.

NEMA17-42mm series

Model: NEMA17 Stepper motor-High PRECISION OE42HM(0.9 degree)

Genaral Specification:

Temperature Rise ————————– 80°C MAX.
Ambient Temperature Range ————- -20°C~ +50°C 
Storage Temperature Range ————- -30°C~ +60°C
Insulation Resistance ———————- 100M Ω MIN. 500V DC
Dielectric Strength ————————- 500V AC 1min
Radial Play ——————————— 0.02mm MAX. (450g Load)
End Play ———————————— 0.08mm MAX. (450g Load)
Max. radial force ————————— 28N
Max. axial force —————————- 10N

Electrical Specification:

 Model No.

Step Angle

Motor Length

Current

/Phase

Resistance

/Phase

Inductance

/Phase

Holding Torque

Lead

wires

Detent Torque

Rotor Inertia

Motor

weight

( °)

(L)mm

A

Ω

mH

kg.cm

No.

g.cm

g.cm

Kg

OE42HM34-0956

0.9

34

0.95

4.2

4

1.58

6

200

35

0.22

OE42HM34-0606

0.9

34

0.6

10

9.5

1.58

6

200

35

0.22

OE42HM34-0316

0.9

34

0.31

38.5

33

1.58

6

200

35

0.22

OE42HM34-1334

0.9

34

1.33

2.1

4.2

2.2

4

200

35

0.22

OE42HM40-1206

0.9

40

1.2

3.3

3.4

2.59

6

220

54

0.28

OE42HM40-0806

0.9

40

0.8

7.5

6.7

2.59

6

220

54

0.28

OE42HM40-0406

0.9

40

0.4

30

30

2.59

6

220

54

0.28

OE42HM40-1684

0.9

40

1.68

1.65

3.2

3.3

4

220

54

0.28

OE42HM48-1206

0.9

48

1.2

3.3

4

3.17

6

250

68

0.35

OE42HM48-0806

0.9

48

0.8

7.5

10

3.17

6

250

68

0.35

OE42HM48-0406

0.9

48

0.4

30

38

3.17

6

250

68

0.35

OE42HM48-1684

0.9

48

1.68

1.65

4.1

4.4

4

250

68

0.35

 

*Note: We can also manufacture products according to customer’s requirements.

 

Electrical Specification:

Model No.

Step Angle

Motor Length

Current

/Phase

Resistance

/Phase

Inductance

/Phase

Holding Torque

Lead

wires

Detent Torque

Rotor Inertia

Motor Weight

( °)

(L)mm

A

Ω

mH

kg.cm

No.

g.cm

g.cm

Kg

OE42HS34-0956

1.8

34

0.95

4.2

2.5

1.6

6

120

34

0.22

OE42HS34-0406

1.8

34

0.4

24

15

1.6

6

120

34

0.22

OE42HS34-0316

1.8

34

0.31

38.5

21

1.6

6

120

34

0.22

OE42HS34-1334

1.8

34

1.33

2.1

2.5

2.2

4

120

34

0.22

OE42HS40-1206

1.8

40

1.2

3.3

3.2

2.6

6

150

54

0.28

OE42HS40-0806

1.8

40

0.8

7.5

6.7

2.6

6

150

54

0.28

OE42HS40-0406

1.8

40

0.4

30

30

2.6

6

150

54

0.28

OE42HS40-1684

1.8

40

1.68

1.65

3.2

3.6

4

150

54

0.28

OE42HS48-1206

1.8

48

1.2

3.3

2.8

3.17

6

260

68

0.35

OE42HS48-0806

1.8

48

0.8

7.5

6.3

3.17

6

260

68

0.35

OE42HS48-0406

1.8

48

0.4

30

25

3.17

6

260

68

0.35

OE42HS48-1684

1.8

48

1.68

1.65

2.8

4.4

4

260

68

0.35

OE42HS60-1206

1.8

60

1.2

6

7

6.5

6

280

102

0.5

 

*Note: We can also manufacture products according to customer’s requirements.

 

nema17 stepper motor oe42hs (1.8 degree)
nema17dia1

Key Features:
• Ultra-Compact Design: NEMA 8 (20mm) frame size, ideal for limited-space environments.
• High Precision: Standard 1.8° step angle for accurate motion control.
• Reliable Performance: Optimized for long-term continuous operation in office automation.
Typical Applications:
• Office Equipment: Typewriters, copying machines, and graph plotters.
• Medical Devices: Precision liquid handling and lab automation.
• Electronics: Pick-and-place machines and 3D printing components.

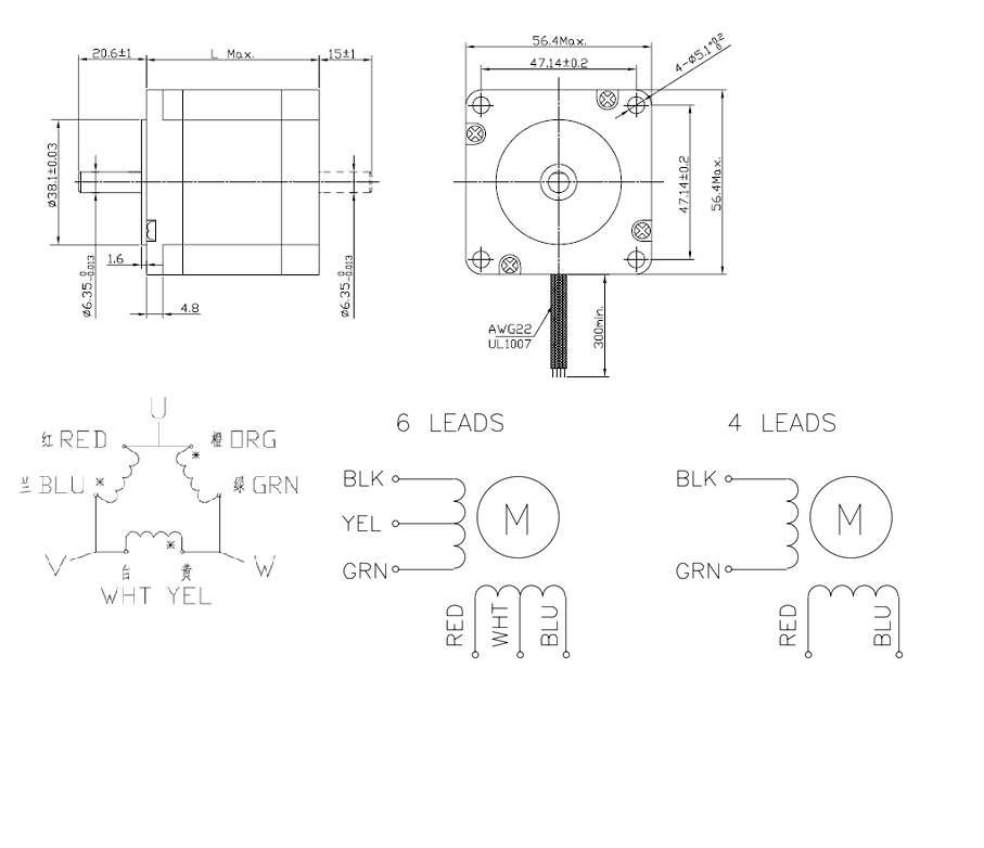
NEMA23-57mm series

Model: NEMA23 Stepper motor-High PRECISION OE57HM(0.9 degree)

Electrical Specification:

Model No.

Step Angle

Motor Length

Current

/Phase

Resistance

/Phase

Inductance

/Phase

Holding Torque

Lead

wires

Detent Torque

Rotor Inertia

Motor

Weight

( °)

(L)mm

A

Ω

mH

kg.cm

No.

g.cm

g.cm

Kg

OE57HM41-1006

0.9

41

1

5.7

8

3.9

6

210

120

0.45

OE57HM41-2006

0.9

41

2

1.4

2.2

3.9

6

210

120

0.45

OE57HM41-3006

0.9

41

3

0.63

1.0

3.9

6

210

120

0.45

OE57HM41-2804

0.9

41

2.8

0.7

2.2

5.5

4

210

120

0.45

OE57HM56-1006

0.9

56

1

7.4

17.5

9

6

400

300

0.80

OE57HM56-2006

0.9

56

2

1.8

4.5

9

6

400

300

0.80

OE57HM56-3006

0.9

56

3

0.75

1.9

9

6

400

300

0.80

OE57HM56-2804

0.9

56

2.8

0.9

4.5

12

4

400

300

0.80

OE57HM76-1006

0.9

76

1

8.6

23

13.5

6

680

480

1.00

OE57HM76-2006

0.9

76

2

2.25

5.6

13.5

6

680

480

1.00

OE57HM76-3006

0.9

76

3

1

2.6

13.5

6

680

480

1.00

OE57HM76-2804

0.9

76

2.8

1.13

5.6

18

4

680

480

1.00

 

*Note: We can also manufacture products according to customer’s requirements.

Electrical Specification:

Model No.

Step Angle

Motor Length

Current

/Phase

Resistance

/Phase

Inductance

/Phase

Holding Torque

Detent Torque

Rotor Inertia

Motor

Weight

( °)

(L)mm

A

Ω

mH

kg.cm

g.cm

g.cm

Kg

OE57H3P42-001

1.2

42

5.2

1.3

1.4

4.5

210

110

0.45

OE57H3P56-001

1.2

56

5.6

0.7

1.7

9.0

400

300

0.75

OE57H3P79-001

1.2

78

5.8

1.05

2.4

15

680

480

1.01

 

*Note: We can also manufacture products according to customer’s requirements.

Electrical Specification:

Model No.

Step Angle

Motor Length

Current

/Phase

Resistance

/Phase

Inductance

/Phase

Holding Torque

Lead wires

Detent Torque

Rotor Inertia

Motor

Weight

( °)

(L)mm

A

Ω

mH

N.m

No.

g.cm

g.cm

Kg

OE57HS41-1006

1.8

41

1

5.2

5.5

0.39

6

250

150

0.47

OE57HS41-2006

1.8

41

2

1.4

1.4

0.39

6

250

150

0.47

OE57HS41-3006

1.8

41

3

0.63

0.6

0.39

6

250

150

0.47

OE57HS41-2804

1.8

41

2.8

0.7

1.4

0.55

4

250

150

0.47

OE57HS51-1006

1.8

51

1

6.6

8.2

0.72

6

300

230

0.59

OE57HS51-2006

1.8

51

2

1.65

2.2

0.72

6

300

230

0.59

OE57HS51-3006

1.8

51

3

0.74

0.9

0.72

6

300

230

0.59

OE57HS51-2804

1.8

51

2.8

0.83

2.2

1.01

4

350

280

0.68

OE57HS56-1006

1.8

56

1

7.4

10

0.9

6

350

280

0.68

OE57HS56-2006

1.8

56

2

1.8

2.5

0.9

6

350

280

0.68

OE57HS56-3006

1.8

56

3

0.75

1.1

0.9

6

350

280

0.68

OE57HS56-2804

1.8

56

2.8

0.9

2.5

1.26

4

350

280

0.68

OE57HS76-1006

1.8

76

1

8.6

14

1.35

6

600

440

1.1

OE57HS76-2006

1.8

76

2

2.25

3.6

1.35

6

600

440

1.1

OE57HS76-3006

1.8

76

3

1

1.6

1.35

6

600

440

1.1

OE57HS76-2804

1.8

76

2.8

1.13

3.6

1.89

4

600

440

1.1

OE57HS82-3004

1.8

82

3.0

1.2

4

2.2

4

1000

600

1.2

OE57HS82-5004

1.8

82

5

0.6

1.5

2.2

4

1000

600

1.2

OE57HS112-3004

1.8

112

3.0

1.6

6.8

2.8

4

1200

800

1.4

OE57HS112-4204

1.8

112

4.2

0.9

3.8

2.8

4

1200

800

1.4

 

*Note: We can also manufacture products according to customer’s requirements.

 

nema23 oe57h3p(1.2degree) 3phase
nema23dia1

Key Features:
• Ultra-Compact Design: NEMA 8 (20mm) frame size, ideal for limited-space environments.
• High Precision: Standard 1.8° step angle for accurate motion control.
• Reliable Performance: Optimized for long-term continuous operation in office automation.

Typical Applications:

• CNC Machinery: Laser cutters, engravers, and milling machines.
• Packaging Systems: Labeling machines and automated sorting conveyors.
• Security & Surveillance: High-precision Pan-Tilt-Zoom (PTZ) camera systems.